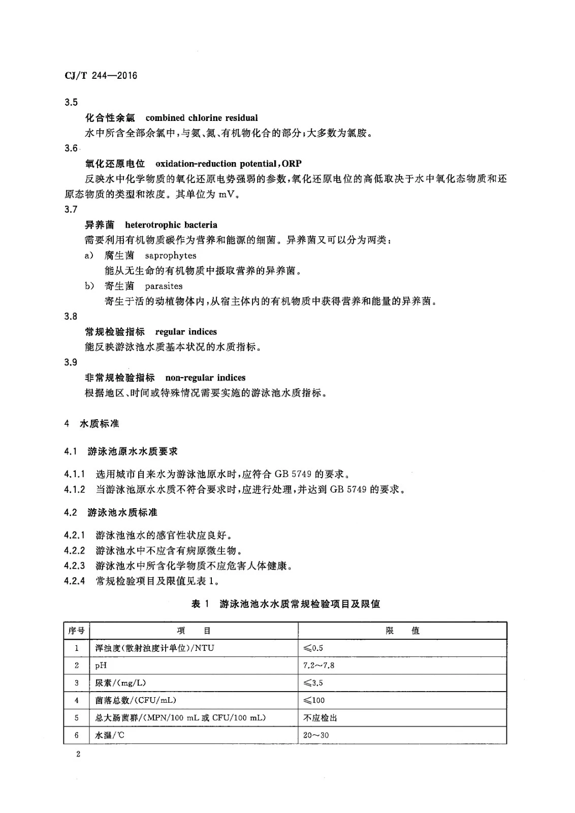
游泳池水质标准
发布时间:2020-05-28

水质标准3 (1).jpg


热销产品
您可能对以下信息感兴趣?

地址:郑州市黄河路71号

邮编:450000

电话:0371-63865178

关于溢美
发展历程
资质荣誉
视频展示
精彩回放
企业文化
产品中心
充气泳池系列
臭氧消毒系列
过滤设备系列
加热恒温系列
消毒设备系列
拼装泳池系列
技术与服务
服务细则
常见问题
服务网络
案例展示
发货现场
生产现场
客户来访
水上乐园类
学校
水景类
健身会所类
政府
酒店
旅游
温泉类
联系我们
联系方式
在线留言
copyright © 2017 郑州溢美康体实业有限公司 豫ICP备17036291号-1
营业执照